






🔧 Elevate Your Precision Game!
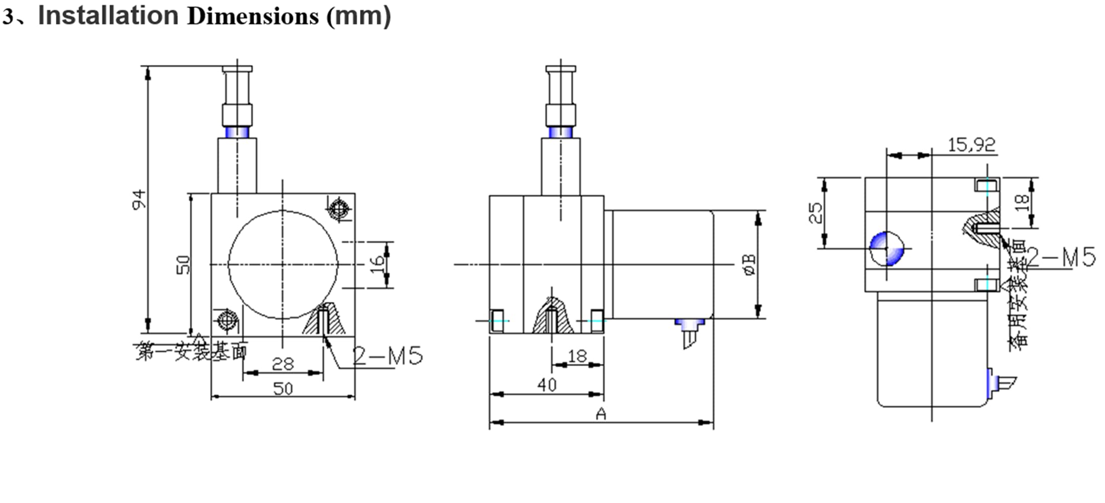
The Economical 1000 mm Draw Wire Displacement Linear Encoder Sensor AB Phase CESI-S1000E offers a robust measuring range of 0-1000mm with a high resolution of 0.1mm per pulse. It features TTL output and comes with a 1-meter shielded cable, making it ideal for various applications in machine reciprocating motion and bearing measurement. Compact and easy to install, this sensor operates at a reliable 5V, ensuring consistent performance.






J**R
Great value for the investment. 👍
Great value for the investment. 👍
P**R
Accurate and Well Made
This item will not be put into full time usage for at least a few months. But..... upon it's arrival..... I inspected and tested it to make sure it will work for the application I need. This is the first one of these wired/rotary encoders I have used and I have to say... they are impressive. I love the idea of the wire rope (a plastic covered wire rope to be exact) allowing us to compact the indicated travel needs of the machine we are building. The test was simple and measured A B and B A outputs. Of course it worked.I highly recommend the Economical 1000 mm Draw Wire Displacement Linear Encode
K**S
Not accurate at all
I haven't even hooked this up to test it and I can tell you it is not going to give an accurate measurement. I pulled the draw line out about 2/3rds of the way and let it wind back in. Then when I turned it in my hand the spool inside wound more slack up even though the string was all the way pulled in. It is not going to give an accurate measurement because of that. It doing that is repeatable so it wasn't a one time and done thing. Every time I pull the line out and let it wind back in and just give it a tap with my finger and I can feel and also hear it wind up more slack even tho it has pulled the line all the way in.
T**R
Well-made linear encoder with very little information provided
I ordered this encoder to experiment with it. It turns out to be very well made, and looks to be heavy duty. The actual when pulling out the string is very smooth, with what feels like a constant force that acts to pull the string back in, if let go.The spec sheet I got with it says 0.1 mm/pulse; to test this, approximately, I pulled the string out about 100 mm and counted the pulses with my oscilloscope. You can see in the scope photo labeled "pulse count" that I got 944-945 pulses (for A and B), when I would expect 1000. My pull distance was only approximate, so this looks pretty good to me.For my test I pulled up the A and B outputs with a 2.7k resistor each, to a supply voltage of 12 V (the spec sheet says 8-24 V for the supply).The A and B outputs are in quadrature, or 90 degrees out of phase, and you can tell whether you're pulling the string out, or letting it go back in, by looking at both outputs. If you take A as the clock, and latch the state of B on the rising edge, B will always be high on the rising edge of A, if you're pulling out. The opposite is true if you let the string retract.I'm knocking off a star because the datasheet gives no information out needing to pull up the A and B outputs, and you don't know how much current they can sink.Also of concern, but this is rather common with open-collector encoder outputs, is glitching from crosstalk between A and B. See the photos showing both negative and positive glitching in both the A and B outputs, exceeding 1 V. This indicates that you might want to reduce the value of the pull-up resistors, at the expense of burning more power to use the encoder. It's interesting that glitches on A from a falling edge on B are larger than glitches on B from a rising edge on A. I think this is because, due to the passive pull-up, the rising edges are slower, and less likely to couple into the oppositive output (via capacitive coupling).Summing up, this thing is not cheap, but if you need to measure linear displacement down to 0.1 mm, I think it's quite a good product. It would be easy to interface this to a microcontroller.
G**E
Incremental NOT absolute
I thought the draw wire would give an absolute measurement. Was not the case.
D**S
Great way to measure linear movement
Translates linear motion into a rotary motion that generates pulses to measure position. Great for process automation.
M**D
Accurate, versatile, and affordable.
This is a very fair price for a control sensor. This is actually very easy to use: just attach the retractable wire to an actuator, wire up and code up, and you have yourself a diy servo linear actuator. If you are into robotics or automation and are comfortable with whatever programable logic system you're using, this is a very useful tool. You may need to read up on servo error programing if you have a fast actuator.TTL logic and 5v power make this a great fit for Arduino-based builds.
Trustpilot
Hace 2 semanas
Hace 2 semanas